Part Number Hot Search : 
154742 LNBP8L SMR1D LTC487 XYB23 MPU133 RB521 01901
Product Description
Full Text Search

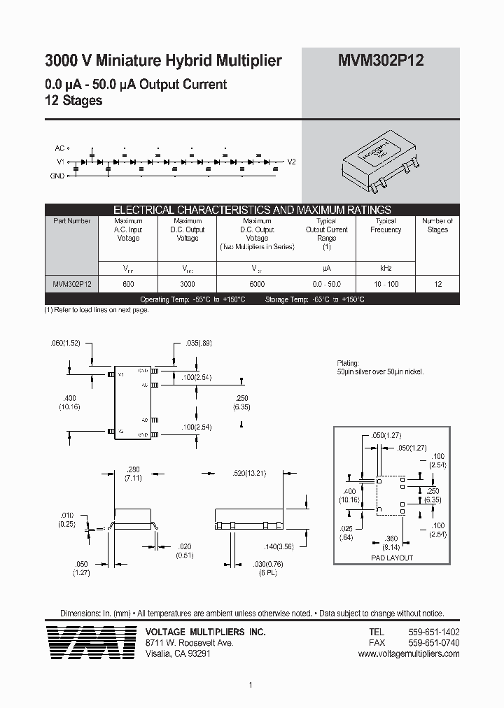
MVM302P12 - 3000 V Miniature Hybrid Multiplier

MVM302P12_1108063.PDF Datasheet


 Full text search : 3000 V Miniature Hybrid Multiplier
 Product Description search : 3000 V Miniature Hybrid Multiplier


 Related Part Number
PART Description Maker
MAALSS0038TR-3000 Miniature Broadband Gain Stage 70 - 3000 MHz
M/A-COM Technology Solutions, Inc.
AM50-0015 AM50-0015SMB AM50-0015TR AM50-0015TR3000 200-3000 MHz, miniature broadband gain stage
Miniature Broadband Gain Stage 200 - 3000 MHz
MA-Com
MACOM[Tyco Electronics]
MVM402P10 4000 V Miniature Hybrid Multiplier
Voltage Multipliers Inc.
MSMLJ30A MSMLG10A MSMLG110A MSMLG11A MSMLG12A MSML SURFACE MOUNT 3000 Watt Transient Voltage Suppressor
3000 W, UNIDIRECTIONAL, SILICON, TVS DIODE, DO-214AB
3000 W, UNIDIRECTIONAL, SILICON, TVS DIODE, DO-215AB
Microsemi Corporation
MICROSEMI CORP-IRELAND
HM202P08 HM202P10 HM202P8 HM402N10 HM402P10 HM402P 2,000V - 4,000V Miniature Hybrid Multiplier
VMI[Voltage Multipliers Inc.]
JH-119PIN JH-115PIN JH-114PIN JHS-119PIN JHS-115PI Quadrature Hybrid, 80 - 160 MHz
Surface Mount Quadrature Hybrid, 40 - 80 MHz
Quadrature Hybrid, 20 - 40 MHz
Quadrature Hybrid, 2 - 32 MHz
Quadrature Hybrid, 100 - 200 MHz
Tyco Electronics
HJD-2Z-1.9G 1800 MHz - 1990 MHz RF/MICROWAVE 180 DEGREE HYBRID COUPLER, 0.3 dB INSERTION LOSS-MAX
HYBRID JUNCTION
MERRIMAC INDUSTRIES INC
Merrimac Industries, Inc.
FT3000AV-80 FT3000AV FT3000AV-60 FT3000AV-70 Clamp-On Meter; DMM Type:Clamp; Calibrated:No RoHS Compliant: NA
CURRENT CLAMP, EARTH LEAKAGE; RoHS Compliant: NA
Phase Control SCR 3000 Amperes Avg 3000-4000 Volts
POWEREX[Powerex Power Semiconductors]
B65496-A3001-X1 B65495-B-Y33 EPCOSAG-B65496-A3001- Miniature pot cores for adjustable miniature inductors
EPCOS AG
PW-82520R0NEW PW-82520R0-120 Controllers. Torque Loop|3-Phase Torque Controller. Small Plug In Hybrid
BRUSHLESS DC MOTOR CONTROLLER, 20 A, DMA43 HYBRID, FP-43
Data Device, Corp.
R30R160 R30R400 30R 30R500 30R600 30R700 30R800 30 Resettable PTC. Ihold = 3.00A, Itrip = 6.00A, Vmax =30Vdc. Reel quantity 1500.
Resettable PTC. Ihold = 4.00A, Itrip = 8.00A, Vmax =30Vdc. Reel quantity 1500.
Resettable PTC. Ihold = 1.85A, Itrip = 3.70A, Vmax =30Vdc. Reel quantity 3000.
Resettable PTC. Ihold = 1.60A, Itrip = 3.20A, Vmax =30Vdc. Reel quantity 3000.
Resettable PTC. Ihold = 1.35A, Itrip = 2.70A, Vmax =30Vdc. Reel quantity 3000.
Resettable PTC. Ihold = 0.90A, Itrip = 1.80A, Vmax =30Vdc. Reel quantity 3000.
Resettable PTC. Ihold = 2.50A, Itrip = 5.00A, Vmax =30Vdc. Reel quantity 3000.
Resettable PTC. Ihold = 1.10A, Itrip = 2.20A, Vmax =30Vdc. Reel quantity 3000.
Radial Leaded PTC PTC的径向引
Littelfuse, Inc.
LITTELFUSE[Littelfuse]
AD8004 AD8004AN AD8004AR-14 AD8004AR-14-REEL AD800 Quad 3000 V/s 35mW Current Feedback Amplifier
Quad 3000 V/us, 35 mW Current Feedback Amplifier
REMOVAL TOOL
CONNECTOR
AD[Analog Devices]
Analog Devices, Inc.
 
 Related keyword From Full Text Search System
MVM302P12 Processors MVM302P12 technology MVM302P12 ICPRICE MVM302P12 Timer MVM302P12 接腳圖
MVM302P12 lead MVM302P12 BLDC motor driver MVM302P12 price MVM302P12 barrier MVM302P12 board
 

 

Price & Availability of MVM302P12

All Rights Reserved © IC-ON-LINE 2003 - 2022  

[Add Bookmark] [Contact Us] [Link exchange] [Privacy policy]
Mirror Sites :  [www.datasheet.hk]   [www.maxim4u.com]  [www.ic-on-line.cn] [www.ic-on-line.com] [www.ic-on-line.net] [www.alldatasheet.com.cn] [www.gdcy.com]  [www.gdcy.net]


 . . . . .
  We use cookies to deliver the best possible web experience and assist with our advertising efforts. By continuing to use this site, you consent to the use of cookies. For more information on cookies, please take a look at our Privacy Policy. X
1.5339231491089